Zhejiang Yonggui Electric Equipment Co., Ltd.

ESC-TB350 Connector

Application:Apply for power transmission of energy storage system (battery pack).


Description:

  • Poka-yoke:

    Orange for positive、Black for negative

  • Installation Method:Screw

  • Termination Methods:Screw termination

  • Direction of outgoing line:

    Both sides can be wired out


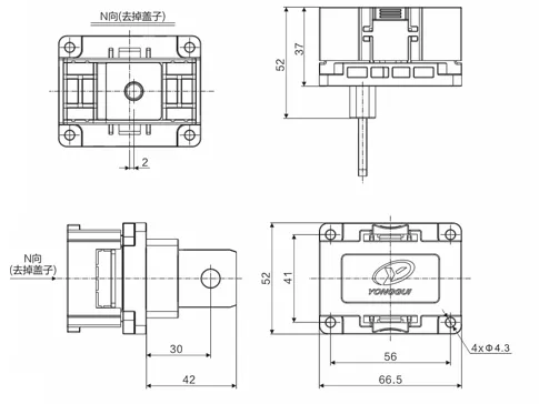
The Details of ESC-TB350 Connector

The Details of ESC-TB350 Connector

ESC-TB350 Connector

The Details of ESC-TB350 Connector

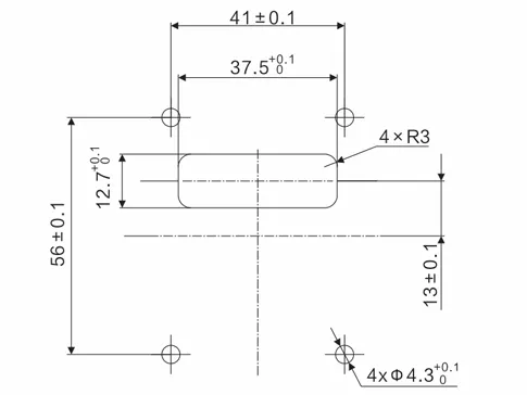
ESC-TB350 Mounting Hole Dimensions

Specifications of ESC-TB350 Connector

Specifications
Pins1
Current Rating300A(95mm²)、350A(120mm²)
Voltage Rating1500V DC
Dielectric Withstanding Voltage6800V AC 50Hz
Insulation Resistance≥100MΩ
Operating Temperature-40℃ ~ +125℃
Temperature rise≤45K


ESC-TB350 Connector Storage Condition

  • The battery storage connector should be uesd within the specification that provided, Install, use and maintain the products according to the documents.

  • Package: moisture-proof bubble bag and carton.

  • Storage Spec: The packaged products shall be stored in the warehouse within the temperature of -10 ℃~+ 40 ℃, relative humidity less than 80%, and no acid, alkaline or other corrosive gases in the surrounding air. The storage period shall not exceed two years from the production date.

  • esc tb350 connector of manufacturer
  • esc tb350 connector of company
  • esc tb350 connector of factory
Contact Yonggui Electric for Connectors
Contact Yonggui Electric for Connectors
We Can Provide
  • Customized Solutions

    Tailoring connectors to your unique needs.

  • Expert Technical Support

    Provide systemic solutions

  • Quick Response

    Respond to needs within 12 hours

Blog & News
Empowering Data Center Liquid Cooling Upgrades Across the Entire Value Chain — From Core Components to System-Level Solutions, Delivered as a One-Stop Implementation
Amid the new infrastructure boom, demand for computing power is experiencing explosive growth, and data centers are rapidly evolving toward higher density, lower energy consumption, and greater reliab...
Read More
Product Recommendation | UQD Series Liquid Cooling Quick-Connect Fittings – Breaking Through AI Computing Bottlenecks to Empower Efficient Data Center Operations
With the explosive growth of AI technology, the demand for computing power in servers and data centers is rising exponentially. Every breakthrough in computing power relies on robust support from unde...
Read More
MCS Charging Connector vs CCS: Key Differences in High-Power EV Charging
As electric vehicles (EVs) scale beyond passenger cars into heavy-duty trucks, buses, and commercial fleets, charging standards must evolve to support ultra-high power. Two key technologies shaping th...
Read More