Zhejiang Yonggui Electric Equipment Co., Ltd.

YGEV2-2Pin Series Electrical Connectors

  • The product can achieve 360-degree full shielding;

  • The product can realize secondary interlocking and unlocking;

  • The product has a delayed high voltage interlocking function;

  • The key positions at both ends adopt 4 different combinations to realize the function of preventing wrong insertion;

  • The plug and receptacle utilize a direct plug-in locking mechanism for connection.

  • The plug and receptacle adopt terminal crimping.

Suitable for electrical connections of electric vehicle components such as air conditioning compressors, PTC heaters, chargers, DC/DC converters, and high- voltage boxes.

The Details of YGEV2-2Pin Series Electrical Connectors

The Details of YGEV2-2Pin Series Electrical Connectors

YGEV2-S2P series plug assembly outline (unspecified tolerance: ±0.5)

The Details of YGEV2-2Pin Series Electrical Connectors

YGEV2-P2R series receptacle assembly outline (unspecified tolerance: ±0.5)

The Details of YGEV2-2Pin Series Electrical Connectors

YGEV2-P2R series receptacle mounting hole dimensions (unspecified tolerance: ±0.1)

Specifications of YGEV2-2Pin Series Electrical Connectors

  • Ordering Information

Ordering information(assembly)
Key
position
ABABAB
Product
Name

YGEV2-S2PA-1 plug

(2.5mm²)

YGEV2-S2PB-1 plug

(2.5mm²)

YGEV2-S2PA-1 plug

(4mm²)

YGEV2-S2PB-1 plug

(4mm²)

YGEV2-S2PA-2 plug

(6mm²)

YGEV2-S2PB-1 plug

(6mm²)
Product Code111000407737111000407740111000407738111000407741111000407739111000407742
Product
Name

YGEV2-P2RA-1 receptacle

(2.5mm²)

YGEV2-P2RB-1 receptacle

(2.5mm²)

YGEV2-P2RA-3 receptacle

(4-6mm²)

YGEV2-P2RB-2 receptacle

(4-6mm²)

YGEV2-P2RA-3 receptacle

(4-6mm²)

YGEV2-P2RB-2 receptacle

(4-6mm²)
Product Code
111000504234111000504235111000504247111000504248111000504247111000504248
Key PositionA
Product NameYGEV2-S2PNA plug

YGEV2-S2PA-1 plug

(6mm²)

YGEV2-S2PA-1 plug

(4mm²)

YGEV2-S2PA-2 plug

(6mm²)

YGEV2-S2PNA-1 plug

(6mm²)

Product Code111000406975111000406972111000407738111000407739111000407709
Receptacle NameYGEV2-P2RA-3 receptacle(4-6mm²)YGEV2-P2RA1-1 receptacle(4-6mm²)YGEV2-P2RNA-1 receptacle(4-6mm²)
Receptacle Code111000504247111000504236111000504237


AssemblyOrdering information(parts details, can be purchased separately)
Product NameProduct CodeQtyWiring Specification

Diagram

(for reference)

YGEV2-S2PA-1 plug

(2.5mm²)
111000407737

YGEV2-S2PA-1 plug

assembly
1120101075771/

ygev2 s2pa 1 plug

5.8 ×0.8 socket(2.5mm²)11001040099922.5mm²(LV216)
Φ4.7(0, -0.5)mm

ygev2 s2pa 1 plug

YG1467 shielding - outer - 41140225004952

ygev2 s2pa 1 plug

YGEV2 shielding - inner - 2.51140225005232

ygev2 s2pa 1 plug

YGEV2 baffle-1-Φ51140198018332

ygev2 s2pa 1 plug

YGEV2-1 cable seal-Φ2.61140505021122

ygev2 s2pa 1 plug

Φ5.1 rear cover(black) - 21140698054851

ygev2 s2pa 1 plug

YGEV2-S2PB-1 plug

(2.5mm²)
111000407740

YGEV2-S2PB-1 plug

assembly
1120101075781/

ygev2 s2pa 1 plug

5.8 ×0.8 socket(2.5mm²)11001040099922.5mm²(LV216)
Φ4.7(0, -0.5)mm

ygev2 s2pa 1 plug

YG1467 shielding - outer - 41140225004952

ygev2 s2pa 1 plug

YGEV2 shielding - inner - 2.51140225005232

ygev2 s2pa 1 plug

YGEV2 baffle-1-Φ51140198018332

ygev2 s2pa 1 plug

YGEV2-1 cable seal-Φ2.61140505021122

ygev2 s2pa 1 plug

Φ5.1 rear cover(black) - 21140698054851

ygev2 s2pa 1 plug


Ordering information(assembly)Ordering information(parts details, can be purchased separately)
Product NameProduct CodeQtyWiring Specification

Diagram

(for reference)

YGEV2-S2PA-1 plug

(4mm²)
111000407738

YGEV2-S2PA-1 plug

assembly
1120101075771/

ygev2 s2pa 1 plug

5.8 ×0.8 socket(4~6mm²)50102140179024mm²(LV216)
Φ5.8(0, -0.5)mm

ygev2 s2pa 1 plug

YG1467 shielding - outer - 41140225004952

ygev2 s2pa 1 plug

YG1467 shielding - inner - 41140225004922

ygev2 s2pa 1 plug

YGEV2 baffle-1-Φ6.11140198018302

ygev2 s2pa 1 plug

YGEV2-1 cable seal-Φ3.91140505017992

ygev2 s2pa 1 plug

Φ5.8 rear cover(black) - 21140698054821

ygev2 s2pa 1 plug

YGEV2-S2PB-1 plug

(4mm²)
111000407741

YGEV2-S2PB-1 plug

assembly
1120101075781/

ygev2 s2pa 1 plug

5.8 ×0.8 socket(4~6mm²)50102140179024mm²(LV216)
Φ5.8(0, -0.5)mm

ygev2 s2pa 1 plug

YG1467 shielding - outer - 41140225004952

ygev2 s2pa 1 plug

YG1467 shielding - inner - 41140225004922

ygev2 s2pa 1 plug

YGEV2 baffle-1-Φ6.11140198018302

ygev2 s2pa 1 plug

YGEV2-1 cable seal-Φ3.91140505017992

ygev2 s2pa 1 plug

Φ5.8 rear cover(black) - 21140698054821

ygev2 s2pa 1 plug


Ordering information(assembly)Ordering information(parts details, can be purchased separately)
Product NameProduct CodeQtyWiring Specification

Diagram

(for reference)

YGEV2-S2PA-2 plug

(6mm²)
111000407739YGEV2-S2PA-1 plug assembly1120101075771/

ygev2 s2pa 1 plug

5.8 ×0.8 socket(4~6mm²)5010214017902

6mm²(LV216)

Φ6.5(0, -0.5)mm

ygev2 s2pa 1 plug

YG1467 shielding - outer - 61140225004962

ygev2 s2pa 1 plug

YG1467 shielding - inner - 61140225004942

ygev2 s2pa 1 plug

YGEV2 baffle-1-Φ6.81140198018152

ygev2 s2pa 1 plug

YGEV2-1 cable seal-Φ4.81140505017652

ygev2 s2pa 1 plug

Φ6.5 rear cover(black) - 21140698053241

ygev2 s2pa 1 plug

YGEV2-S2PB-1 plug

(6mm²)
111000407742

YGEV2-S2PA-1 plug

assembly
1120101075781/

ygev2 s2pa 1 plug

5.8 ×0.8 socket(4~6mm²)5010214017902

6mm²(LV216)

Φ6.5(0, -0.5)mm

ygev2 s2pa 1 plug

YG1467 shielding - outer - 61140225004962

ygev2 s2pa 1 plug

YG1467 shielding - inner - 61140225004942

ygev2 s2pa 1 plug

YGEV2 baffle-1-Φ6.81140198018152

ygev2 s2pa 1 plug

YGEV2-1 cable seal-Φ4.81140505017652

ygev2 s2pa 1 plug

Φ6.5 rear cover(black) - 21140698053241

ygev2 s2pa 1 plug


Ordering information(assembly)Ordering information(parts details, can be purchased separately)
Product NameProduct CodeQtyWiring Specification

Diagram

(for reference)

YGEV2-S2PA-1 plug

(6mm²)

111000406972

YGEV2-S2PA-1 plug assembly

1120101075771/

ygev2 s2pa 1 plug

5.8 ×0.8 socket(4~6mm²)5010214017901

6mm²(LV216)

Φ6.5(0, -0.5)mm

ygev2 s2pa 1 plug

YG1467 shielding - outer - 61140225004961

ygev2 s2pa 1 plug

YG1467 shielding - inner - 61140225004941

ygev2 s2pa 1 plug

YGEV2 baffle-1-Φ6.81140198018152

ygev2 s2pa 1 plug

YGEV2-1 cable seal-Φ4.81140505017651

ygev2 s2pa 1 plug

Φ 11.8x 1 5.8 cavity plug1140598010011

ygev2 s2pa 1 plug

Φ6.5 rear cover(black) - 21140698053241

ygev2 s2pa 1 plug

YGEV2-S2PNA plug

111000406975///

Sealing plug, no

wiring required

ygev2 s2pa 1 plug

YGEV2-S2PNA-1plug(6mm²)


111000407709

YGEV2-S2PNA-1 plug

assembly

1120101075751/

ygev2 s2pa 1 plug

5.8 ×0.8 socket(4~6mm²)5010214017902

6mm²(LV216-1)

Φ5.0(0, -0.4)mm

ygev2 s2pa 1 plug

YGEV2-1 cable seal-Φ2.61140505021122

ygev2 s2pa 1 plug

Φ5.1 rear cover(black) - 21140698054851

ygev2 s2pa 1 plug


Ordering information(assembly)Ordering information(parts details, can be purchased separately)
Product NameProduct CodeQtyWiring Specification

Diagram

(for reference)

YGEV2-P2RA-

1 receptacle(2.5mm²)
111000504234YGEV2-P2RA-1 receptacle assembly1120201083441/

ygev2 s2pa 1 plug

5.8 ×0.8 pins(2.5mm² )1130201015812Φ3.5 ±0.2mm(2.5mm²)

ygev2 s2pa 1 plug

YGEV2-Φ3.2 cable sheath1140598010372Φ3.5 ±0.2mm(2.5mm²)

ygev2 s2pa 1 plug

0.63×0.63 pins1100104010112Φ1.3 ±0.1mm(0.35mm²)

ygev2 s2pa 1 plug

YGEV2-P2RB-1 receptacle

(2.5mm²)
111000504235YGEV2-P2RB-1 receptacle assembly1120201083471/

ygev2 s2pa 1 plug

5.8 ×0.8 pins(2.5mm² )1130201015812Φ3.5 ±0.2mm(2.5mm²)

ygev2 s2pa 1 plug

YGEV2-Φ3.2 cable sheath114059801037
Φ3.5 ±0.2mm(2.5mm²)

ygev2 s2pa 1 plug

0.63×0.63 pins1100104010112Φ1.3 ±0.1mm(0.35mm²)

ygev2 s2pa 1 plug

YGEV2-P2RA-

3 receptacle(4-6mm²)
111000504247YGEV2-P2RA-1 receptacle assembly1120201083441/

ygev2 s2pa 1 plug

5.8 ×0.8 pins(4~6mm² )1130201015202

Φ4.5 ±0.2m(4mm²)

Φ4.9 ±0.2m(6mm²)

ygev2 s2pa 1 plug

0.63×0.63 pins1100104010112Φ1.3 ±0.1mm(0.35mm²)

ygev2 s2pa 1 plug

YGEV2-P2RB-2 receptacle

(4-6mm²)
111000504248YGEV2-P2RA1-1 receptacle assembly1120201083471/

ygev2 s2pa 1 plug

5.8 ×0.8 pins(4~6mm² )1130201015202

Φ4.5 ±0.2m(4mm²)

Φ4.9 ±0.2m(6mm²)

ygev2 s2pa 1 plug

0.63×0.63 pins1100104010112
Φ1.3 ±0.1mm(0.35mm²)

ygev2 s2pa 1 plug

YGEV2-

P2RA1-1(4-6mm²)
111000504236

YGEV2-P2RNA-1

receptacle assembly
112020108345
/

ygev2 s2pa 1 plug

5.8 ×0.8 pins(4~6mm² )113020101520

Φ4.5 ±0.2m(4mm²)

Φ4.9 ±0.2m(6mm²)

ygev2 s2pa 1 plug

0.63×0.63 pins110010401011
Φ1.3 ±0.1mm(0.35mm²)

ygev2 s2pa 1 plug

YGEV2-

P2RNA-1 receptacle(4-6mm²)
111000504237

YGEV2-P2RNA-1

receptacle assembly
112020108346
/

ygev2 s2pa 1 plug

5.8 ×0.8 pins(4~6mm² )113020101520

Φ4.5 ±0.2m(4mm²)

Φ4.9 ±0.2m(6mm²)

Φ5.0(0, -0.4)mm (6mm², LV216-1)

ygev2 s2pa 1 plug

0.63×0.63 pins110010401011
Φ1.3 ±0.1mm(0.35mm²)

ygev2 s2pa 1 plug


  • Technical Data

Basic Information
PIN pitch12.8mm
Numbers of pins2pin
Cable outlet direction180°
Shell materialplastic
Shielding functionyes
Electrical properties
Rated voltage1000 V  DC(power), 24 V DC(signal)
Rated current20A(2.5mm²)、32A(4mm²)、45A(6mm²)
Insulation resistance≥ 100MΩ
Withstand voltage3000 V AC(power), 1000 V AC(signal)
HVILyes
Mechanical properties
Life cycles≥50 Times
VibrationLV214 S2、USCAR V2
ShockLV214 S2、USCAR V2
Environmental resistance properties
Ambient temperature-40℃ ~ +125℃
Humidity range95%(at 40℃)
Salt spray480h
IP ratingIP68 (1m water depth, 48h), IP6K9K (plug-receptacle mated)
Pollution level2
Altitude requirements≤5000m
Materials/Finish/Outline
ShellPA66-GF
Shieldingcopper alloy
Standards and certifications
Flame retardant ratingUL94 V-0(plastic)、HB(rubber)
Environmental requirementsRoHS 2.0


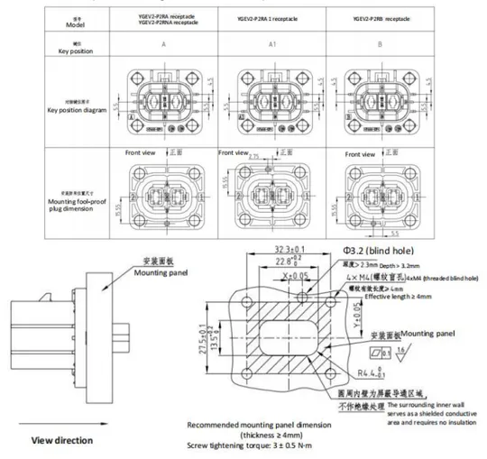
Model


X


Y

Remarks

YGEV2-P2RA

0


-15.55

The dimension of the fool-proofing lugs shall be in accordance with the drawing

(based on the Cartesian coordinate system, with the origin at the geometric center of the mounting panel).

YGEV2-P2RNA

YGEV2-P2RA1

2.75

15.55

YGEV2-P2RB

5.50

-15.55


  • Installation

Special tools
Disassembly tool

Power pin disassembly tool(532031201008)

Power socket disassembly tool(532031201010)

Signal pin disassembly tool(532031201009)


  • Storage

Storage& transportation
Storage requirement

Components with contact elements (gold-plated, silver-plated) must be stored separately, kept clean, tidy and in a well-ventilated environment. The storage environment shall be controlled with a humidity of ≤60% and a temperature ranging from 5°C to 30°C. The reference storage period is 6 months.

Transportation requirementDuring packaging, transportation, transfer, production, and assembly processes, terminals shall be protected from collisions, contact with corrosive gases and liquids, and direct hand contact, so as to ensure the good condition of the terminal contact surfaces.


Contact Yonggui Electric for Connectors
Contact Yonggui Electric for Connectors
We Can Provide
  • Customized Solutions

    Tailoring connectors to your unique needs.

  • Expert Technical Support

    Provide systemic solutions

  • Quick Response

    Respond to needs within 12 hours

Blog & News
The Ultimate Guide to Explosion-Proof Connectors: Securing Operations in Hazardous Environments
In heavy industries such as oil and gas, mining, and chemical processing, operational safety is not just a regulatory requirement—it is the foundation of sustainable profitability. The electrical inf...
Read More
Product Recommendation | The Core Component Behind Efficient Energy Replenishment - Battery Swap Connectors Power Faster and More Efficient New Energy Commercial Vehicle Operations
In 2026, the market penetration rate of new energy commercial vehicles is expected to exceed 35%, marking a critical stage of scaled industry growth. However, charging queues at highway service areas ...
Read More
“Intelligent Electric Dual Drive, Connecting the Future”Yonggui Electric Empowers the High-Quality Development of Electrification for Commercial Vehicles and Construction Machinery
Against the backdrop of the deep advancement of the dual-carbon strategy and the accelerated construction of a national manufacturing powerhouse, China's new energy commercial vehicle and construc...
Read More