Zhejiang Yonggui Electric Equipment Co., Ltd.

ESC-HPB450 Connector

Application:Primarily used in fields such as large containerized energy storage, commercial & industrial energy storage, and residential energy storage, providing power transmission for components like battery PACKs and PCS within the energy  storage system.


Description:

  • Plug and receptacle support 360° mating with rotation after mating.

  • Secondary locking structure ensures reliable mating and prevents loosening.

  • Color coding and mechanical keying and applied for mis-mating prevention during mating and installation.

  • Termination options include crimping or ultrasonic welding.


The Details of ESC-HPB450 Connector

The Details of ESC-HPB450 Connector

Plug outline dimensions

The Details of ESC-HPB450 Connector

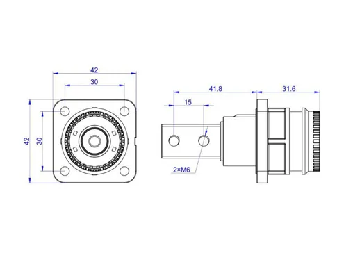
Receptacle outline dimension

The Details of ESC-HPB450 Connector

Receptacle mounting hole dimension


Specifications of ESC-HPB450 Connector

Basic in formation

Numbers of pins

1

Terminal specifications

Φ14

Electrical specification

Rated voltage

1500V DC

Rated current

400A(120mm²)、450A(150mm²)

Insulation resistance

≥ 100MΩ

Withstand voltage

6800V AC 50Hz

Contact resistance

≤0.1mΩ

Temperature rise

≤45K

Termination method


Termination method

Plug: Double B-crimp or hex crimp, ultrasonic welding, M8csrew tightening torque

Receptacle: Threaded locking M6, torque 5 N•m - 5.5 N•m

Cable specifications

120mm²、150mm²

Cable outer diameter

20.5 ±0.5mm、22.5 ±0.5mm

Mechanical specification

Life cycle

≥ 100 cycles

Vibration and shock

QC/T 1067.1-2017 Vibration level V1

Environmental resistance specification


Ambient temperature

-40℃ ~ +125℃

Humidity range

5%~95%

Salt spray

96 H

IP rating

IP67(after mating)

Materials/Finish/Outline


Insulator

Engineering plastic

Rubber part

Silicone rubber

Contacts

Copper alloy

Silver-plated/Tin-plated

Standards and certifications


Flame retardant rating

UL94 V0 (main material)

Environment requirements

RoHS 2.0




ESC-HPB450 Connector Storage Condition

Instructions for packaging and storage

Packaging method

Carton packaging, moisture-proof treatment


Storage

requirements

Products packed in boxes should be stored in a warehouse with an ambient temperature of -10℃ ~ +40℃, a relative humidity of less than 80%, and no acidic, alkaline or other corrosive gases in the surrounding air. The storage period shall not exceed 1 year from the date of production. Please note that the remaining products should be sealed in time after use.

Instructions for use

Connectors should be used within the provided technical parameter range and strictly in accordance with the product instruction manual for installation, use, and maintenance of the product.


Contact Yonggui Electric for Connectors
Contact Yonggui Electric for Connectors
We Can Provide
  • Customized Solutions

    Tailoring connectors to your unique needs.

  • Expert Technical Support

    Provide systemic solutions

  • Quick Response

    Respond to needs within 12 hours

Blog & News
The Ultimate Guide to Explosion-Proof Connectors: Securing Operations in Hazardous Environments
In heavy industries such as oil and gas, mining, and chemical processing, operational safety is not just a regulatory requirement—it is the foundation of sustainable profitability. The electrical inf...
Read More
Product Recommendation | The Core Component Behind Efficient Energy Replenishment - Battery Swap Connectors Power Faster and More Efficient New Energy Commercial Vehicle Operations
In 2026, the market penetration rate of new energy commercial vehicles is expected to exceed 35%, marking a critical stage of scaled industry growth. However, charging queues at highway service areas ...
Read More
“Intelligent Electric Dual Drive, Connecting the Future”Yonggui Electric Empowers the High-Quality Development of Electrification for Commercial Vehicles and Construction Machinery
Against the backdrop of the deep advancement of the dual-carbon strategy and the accelerated construction of a national manufacturing powerhouse, China's new energy commercial vehicle and construc...
Read More