Zhejiang Yonggui Electric Equipment Co., Ltd.

YGC1268-(2+1+12)

Application:Power and signal transmission of energy storage equipment (battery pack).


Description:

  • Mixed power signal installation

  • Floating installation

  • Termination Methods:Crimp termination、

    Screw termination


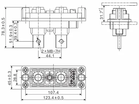
The Details of YGC1268-(2+1+12)

The Details of YGC1268-(2+1+12)

YGC1268-P(2+1+12)P plug

The Details of YGC1268-(2+1+12)

YGC1268-S(2+1+12)R Socket

The Details of YGC1268-(2+1+12)

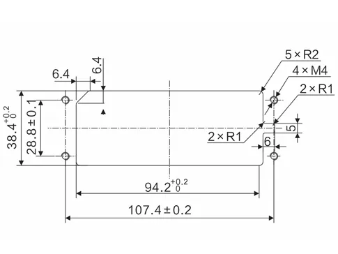
YGC1268-P(2+1+12)P Plug Mounting Hole Dimensions

The Details of YGC1268-(2+1+12)

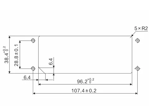
YGC1268-S(2+1+12)R Socket Mounting Hole Dimensions

Specifications of YGC1268-(2+1+12)

Specifications
Pins2+1+12
Current Rating250A(Power)、80A(PE)、10A(Signal)
Voltage Rating600V(Power)、250V(Signal) DC
Dielectric Withstanding Voltage2500V(Power、PE)、1000V(Signal)
Insulation Resistance≥500MΩ
Operating Temperature-40℃ ~ +125℃
Cable specification80mm²(Power)、16mm²(PE)、0.14-0.5mm²(Signal)
Temperature rise≤45K
Floating tolerance±1mm
Mechanical Life500 cycles
Contact Yonggui Electric for Connectors
Contact Yonggui Electric for Connectors
We Can Provide
  • Customized Solutions

    Tailoring connectors to your unique needs.

  • Expert Technical Support

    Provide systemic solutions

  • Quick Response

    Respond to needs within 12 hours

Blog & News
The Ultimate Guide to Explosion-Proof Connectors: Securing Operations in Hazardous Environments
In heavy industries such as oil and gas, mining, and chemical processing, operational safety is not just a regulatory requirement—it is the foundation of sustainable profitability. The electrical inf...
Read More
Product Recommendation | The Core Component Behind Efficient Energy Replenishment - Battery Swap Connectors Power Faster and More Efficient New Energy Commercial Vehicle Operations
In 2026, the market penetration rate of new energy commercial vehicles is expected to exceed 35%, marking a critical stage of scaled industry growth. However, charging queues at highway service areas ...
Read More
“Intelligent Electric Dual Drive, Connecting the Future”Yonggui Electric Empowers the High-Quality Development of Electrification for Commercial Vehicles and Construction Machinery
Against the backdrop of the deep advancement of the dual-carbon strategy and the accelerated construction of a national manufacturing powerhouse, China's new energy commercial vehicle and construc...
Read More