Zhejiang Yonggui Electric Equipment Co., Ltd.

JA1&JE6

Application:Signal transmission of the energy storage system (battery pack).


Description:

  • Poka-yoke:A Key Position – Gray

    B Key Position – Black

  • Installation Method:Screw (M4)

  • Termination Methods:

    (Crimp termination)  (Weld termination)


The Details of JA1&JE6

The Details of JA1&JE6

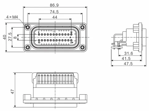
JA1-BDT010A2 Socket

The Details of JA1&JE6

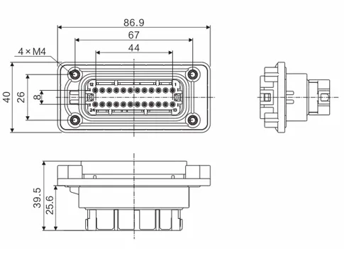
JE6-BDT010B2 Plug

The Details of JA1&JE6

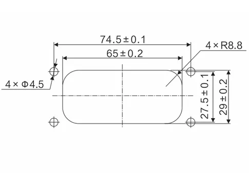
Socket Panel Mounting Hole Size

The Details of JA1&JE6

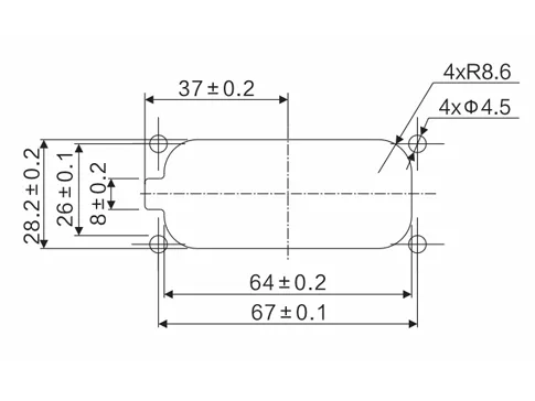
PCB Mounting Hole Size

The Details of JA1&JE6

Plug Mounting Hole Size

Specifications of JA1&JE6

Specifications
Pins24
Rated Current1A
Rated Voltage60V
Dielectric Withstanding Voltage1000V AC
Insulation Resistance≥100MΩ
Operating Temperature-40℃ ~ +105℃
Cable specification22AWG
Protection ClassIP67(Mated)
Mechanical Life≥30 cycles
CertificationCE


Contact Yonggui Electric for Connectors
Contact Yonggui Electric for Connectors
We Can Provide
  • Customized Solutions

    Tailoring connectors to your unique needs.

  • Expert Technical Support

    Provide systemic solutions

  • Quick Response

    Respond to needs within 12 hours

Blog & News
The Ultimate Guide to Explosion-Proof Connectors: Securing Operations in Hazardous Environments
In heavy industries such as oil and gas, mining, and chemical processing, operational safety is not just a regulatory requirement—it is the foundation of sustainable profitability. The electrical inf...
Read More
Product Recommendation | The Core Component Behind Efficient Energy Replenishment - Battery Swap Connectors Power Faster and More Efficient New Energy Commercial Vehicle Operations
In 2026, the market penetration rate of new energy commercial vehicles is expected to exceed 35%, marking a critical stage of scaled industry growth. However, charging queues at highway service areas ...
Read More
“Intelligent Electric Dual Drive, Connecting the Future”Yonggui Electric Empowers the High-Quality Development of Electrification for Commercial Vehicles and Construction Machinery
Against the backdrop of the deep advancement of the dual-carbon strategy and the accelerated construction of a national manufacturing powerhouse, China's new energy commercial vehicle and construc...
Read More