Zhejiang Yonggui Electric Equipment Co., Ltd.

YG196-510-3Pin

  • Waterproof sealed junction box;

  • Oil-proof sealed junction box for mounting surface;

  • Housing with 360° fully enclosed shielding structure;

  • Suitable for welding cables;

  • Maximum supported cable size: 70 mm² (smaller sizes supported);

Suitable for electrical connections of electric vehicle motors, electronic controls, generators, etc.

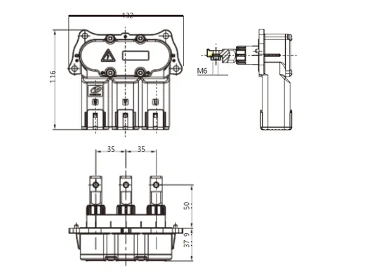
The Details of YG196-510-3Pin

The Details of YG196-510-3Pin
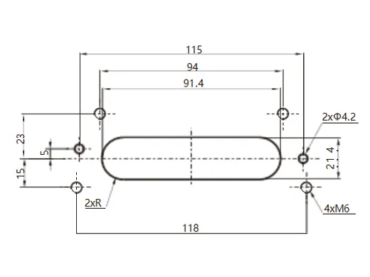
YG196-00-510-00A series assembly outline (unspecified tolerance: ±0.5)
The Details of YG196-510-3Pin
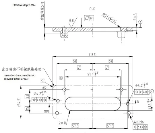
YG196-00-510-00B series assembly outline (unspecified tolerance: ±0.5)
The Details of YG196-510-3Pin
Mounting hole dimensions (unspecified tolerance: ±0.1)

Specifications of YG196-510-3Pin

  • Ordering information

Ordering information
Product modelYG196-00-510-00AYG196-00-510-00B
Product nameYG196-510A shell assemblyYG196-510B shell assembly
Product code112010105328112010105342
Note: Components must be purchased separately. For detailed material information, refer to the Ordering Information (components) table.


Ordering information(assembly)Ordering information(parts details, can be purchased separately)
Product nameProduct codeQtyWiring specification

Diagram

(for reference)

YG196-510A shell assembly
112010105328YG196-510A receptacle assembly1130106007751/yg196 510a shell assembly
YG196-510A protective cover assembly1130116009731yg196 510a shell assembly
Torx pan head screw, GB/T 2672, M4 × 12(with flat washer and spring washer)5010101012594yg196 510a shell assembly
Torx pan head screw GB/T 2672, M6 ×20(with flat washer/spring washer)5010101012603yg196 510a shell assembly
YG196-510Bshel assembly112010105342YG196-510B receptacle assembly1130106007761/yg196 510a shell assembly
YG196-510B protective coverassembly1130116009741yg196 510a shell assembly
Torx pan head screw GB/T 2672, M4 × 12(with flat washer/spring washer)5010101012594yg196 510a shell assembly
Torx pan head screw GB/T 2672, M6 ×20(with flat washer/spring washer)5010101012603yg196 510a shell assembly


Ordering information(assembly)Ordering information(parts details, can be purchased separately)
Product nameProduct codeQtyWiring specification

Diagram

(for reference)

//YG196-510 copper busbar1140202002293

50mm² shielded cable

(φ15.5 ± 0.3)

yg196 510a shell assembly
YG196-510 shielding cover-501140226003943yg196 510a shell assembly
YG196-510 shielding ring-501140226003953yg196 510a shell assembly
YG196-510 cable seal assembly-501130698005173yg196 510a shell assembly


  • Technical data

Basic in formation
PIN pitch35mm
Numbers of pins3pin
Cable outlet direction90°
Shell materialMetal
Shielding functionYes
Electrical specification
Rated voltage1000 V DC(power)
Rated current250A(50mm²)
Insulation resistance≥ 100MΩ
Withstand voltage3000 V AC(power)
HVILNo
Mechanical specification
Life cycle/
VibrationUSCAR V3
ShockUSCAR V3
Environmental resistance specification
Ambient temperature-40℃ ~ +140℃
Humidity range95%(at 40℃)
Salt spray96h
IP ratingIP67、IP6K9K
Pollution level2
Altitude≤5000m
Materials/Finish/Outline
ShellDie-cast aluminum alloy
ShieldingCopper alloy
Standards and certifications
Flame retardant ratingUL94 V-0(plastic), HB(rubber)
Environment requirementsRoHS 2.0


  • Storage

Storage& transportation
Storage requirementComponents with contact elements (gold-plated, silver-plated) must be stored separately, kept clean, tidy and in a well-ventilated environment. The storage environment shall be controlled with a humidity of ≤60% and a temperature ranging from 5°C to 30°C. The reference storage period is 6 months.
Transportation
requirement
During packaging, transportation, transfer, production, and assembly processes, terminals shall be protected from collisions, contact with corrosive gases and liquids, and direct hand contact, so as to ensure the good condition of the terminal contact surfaces.


Contact Yonggui Electric for Connectors
Contact Yonggui Electric for Connectors
We Can Provide
  • Customized Solutions

    Tailoring connectors to your unique needs.

  • Expert Technical Support

    Provide systemic solutions

  • Quick Response

    Respond to needs within 12 hours

Blog & News
The Ultimate Guide to Explosion-Proof Connectors: Securing Operations in Hazardous Environments
In heavy industries such as oil and gas, mining, and chemical processing, operational safety is not just a regulatory requirement—it is the foundation of sustainable profitability. The electrical inf...
Read More
Product Recommendation | The Core Component Behind Efficient Energy Replenishment - Battery Swap Connectors Power Faster and More Efficient New Energy Commercial Vehicle Operations
In 2026, the market penetration rate of new energy commercial vehicles is expected to exceed 35%, marking a critical stage of scaled industry growth. However, charging queues at highway service areas ...
Read More
“Intelligent Electric Dual Drive, Connecting the Future”Yonggui Electric Empowers the High-Quality Development of Electrification for Commercial Vehicles and Construction Machinery
Against the backdrop of the deep advancement of the dual-carbon strategy and the accelerated construction of a national manufacturing powerhouse, China's new energy commercial vehicle and construc...
Read More